ZhiP.MoY.su
[ Новые сообщения · Участники · Правила форума · Поиск · RSS ]
  • Страница 1 из 1
  • 1
Модератор форума: pdx  
Делаем кабель DCA-510 для siememns x55 - x75
mark-proДата: Пятница, 11.05.2007, 10:36 | Сообщение # 1
Новенький
Группа: Siemens man
Сообщений: 10
Репутация: 0 []
Статус: Сейчас меня нет
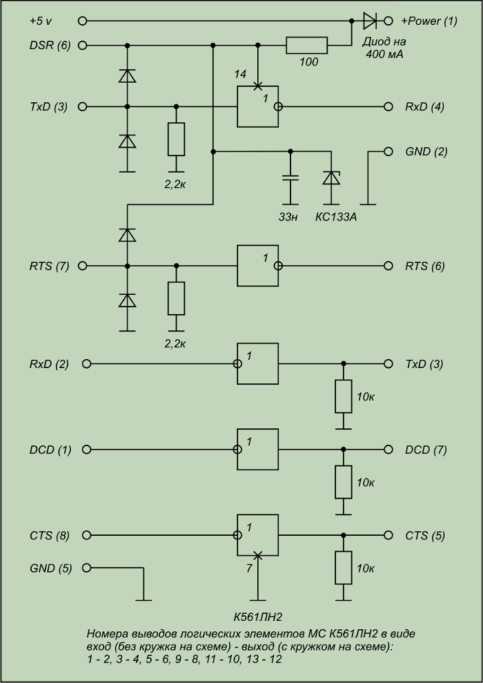
Вот решил выложить простенькую схемку (см. приложенный файл) кабеля на логических элементах. Собирается очень легко. 100 проценов рабочая. Собирал и всё нормально smile Ждите скоро выложу схемку на микросхеме PL-2303.
Прикрепленные файлы: 80325211.gif (61.2 Kb)


Через 500 лет на Земле остануться только стоячие места

Сообщение отредактировал mark-pro - Пятница, 11.05.2007, 10:36
 
FearДата: Среда, 06.06.2007, 03:16 | Сообщение # 2
Новенький
Группа: Проверенные
Сообщений: 7
Репутация: 0 []
Статус: Сейчас меня нет
ИМХО много работы из за нечего (= Проще купить или сделать дца540, некоторые вон уже и им патчат и шьют (=
 
ZHIP_3DДата: Суббота, 09.06.2007, 14:45 | Сообщение # 3
Admin
Группа: Администраторы
Сообщений: 489
Модель телефона: SIEMENS C,S,SL,A,AX....
Репутация: 4 []
Статус: Сейчас меня нет
Интересно и кто дка 540 патчит и шьет???

 
DuronДата: Воскресенье, 17.06.2007, 22:16 | Сообщение # 4
Новенький
Группа: Проверенные
Сообщений: 7
Репутация: 1 []
Статус: Сейчас меня нет
У меня есть плата, с микросхемой типа Ms3303hg 4005 c каждой сторони по 8 ножок. Виходов на Usb 4 , на штекер тела 10 от микросхеми! При подключении к компу определяется "Prolific USB-to-Serial Comm port "

Siemens Cx75sw13
 
DuronДата: Суббота, 23.06.2007, 15:18 | Сообщение # 5
Новенький
Группа: Проверенные
Сообщений: 7
Репутация: 1 []
Статус: Сейчас меня нет
Мне что самому отвечать на вопрос прийдётся??????
Прикрепленные файлы: 59372692.jpg (168.1 Kb)


Siemens Cx75sw13
 
DuronДата: Суббота, 23.06.2007, 15:22 | Сообщение # 6
Новенький
Группа: Проверенные
Сообщений: 7
Репутация: 1 []
Статус: Сейчас меня нет
Заморетесь ждать вот! Pl2303
Прикрепленные файлы: 99375447.jpg (73.1 Kb)


Siemens Cx75sw13
 
ZHIP_3DДата: Воскресенье, 01.07.2007, 23:33 | Сообщение # 7
Admin
Группа: Администраторы
Сообщений: 489
Модель телефона: SIEMENS C,S,SL,A,AX....
Репутация: 4 []
Статус: Сейчас меня нет
Я думую подойдет...

 
ZHIP_3DДата: Суббота, 15.09.2007, 15:00 | Сообщение # 8
Admin
Группа: Администраторы
Сообщений: 489
Модель телефона: SIEMENS C,S,SL,A,AX....
Репутация: 4 []
Статус: Сейчас меня нет
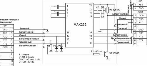
От еще схемкакабеля на MAX232
Прикрепленные файлы: 11655989.jpg (22.0 Kb)


 
  • Страница 1 из 1
  • 1
Поиск: